ASIC Design and Synthesis

The projects are done under ECE337: ASIC Design Lab. This is a course with the most workload I had so far.

Totally three designs are made: UART Receiver + APB; FIR-filter + AHB; and USB 1.1 Bulk Transfer Type.

USB 1.1 Bulk Transfer Type

This project is done in a group of 3. Each member is responsible for one part of the design: AHB subordinate, Receiver, Transmitter + Data Buffer.

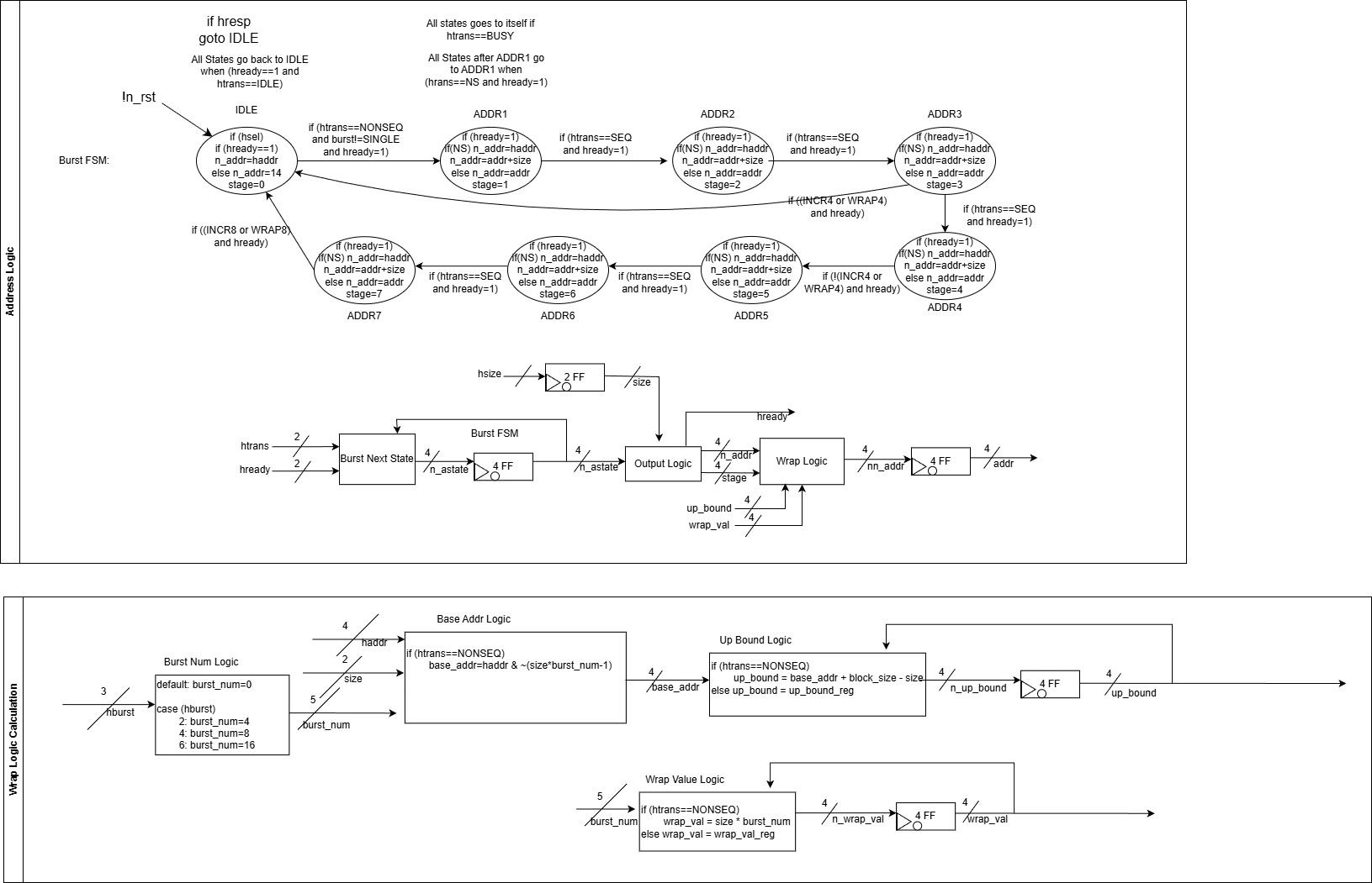
I am responsible for AHB subordinate, with Burst Transfer implemented. The burst transfer and hready is implemented according to chapter 3.6 and 3.7 from this.

AHB Subordinate

The top module RTL is shown below.

CQEM Simulation Results

The AHB subordinate RTL is shown below.

CQEM Simulation Results CQEM Simulation Results

The detailed description of the AHB wave form is shown below.

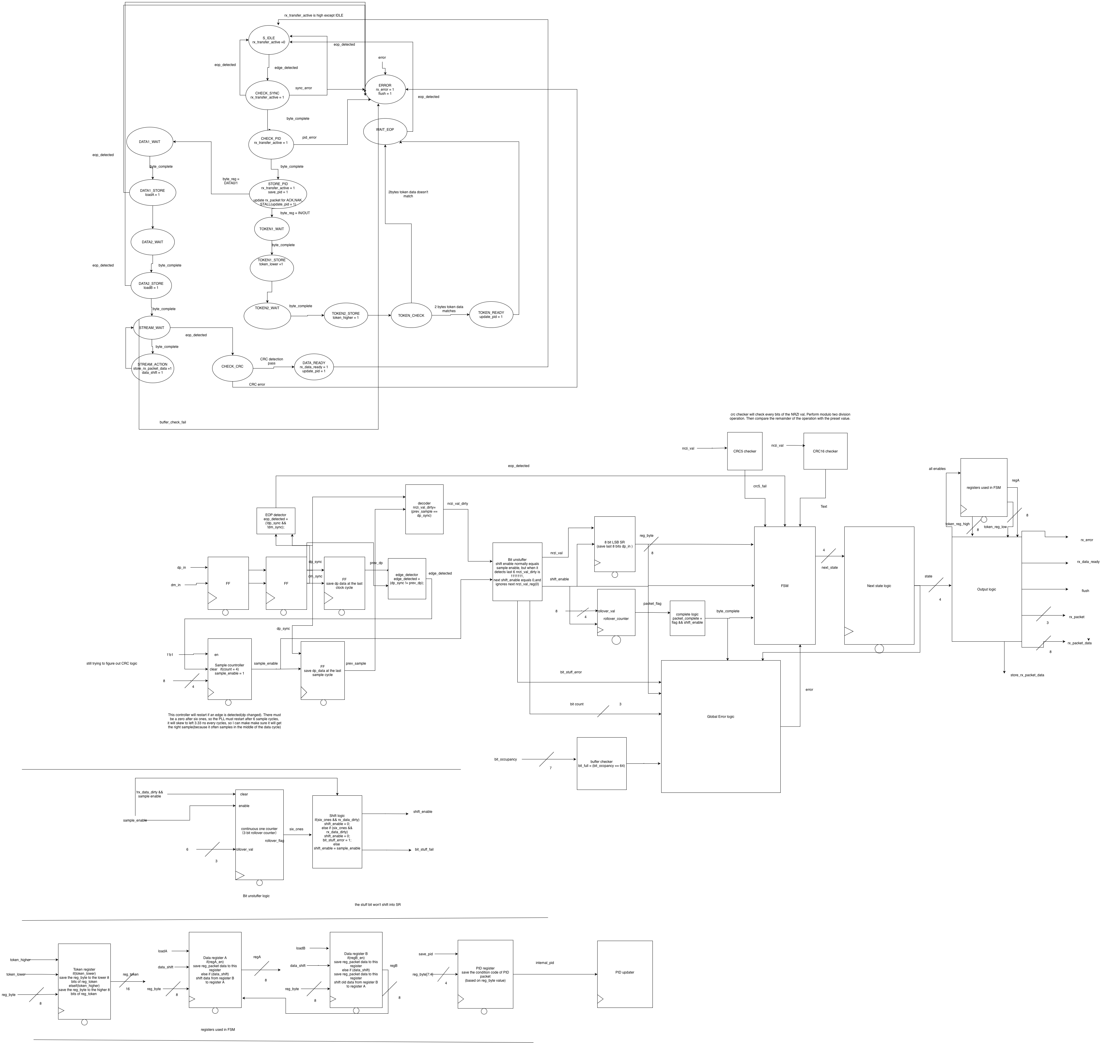
USB Receiver

This part of work is done by Yize Wang. RTL is shown below.

CQEM Simulation Results

The wave for Receiver is here. the CRC and Bit Stuffing are implemented. I am not responsible for this part, so I cannot make a detailed video about it.

CQEM Simulation Results

USB Transmitter + Data Buffer

This part of work is done by Peter Zhou. RTL is shown below.

CQEM Simulation Results CQEM Simulation Results

The wave for Transmitter is here. the CRC and Bit Stuffing are implemented. I am not responsible for this part, so I cannot make a detailed video about it.

CQEM Simulation Results

FIR filter + AHB subordinate

FIR filter stands for Finite Impulse Response filter. According to the name, we can know that it is like a impulse sampling train with parameter in it. The implementation of this filter is 4-point filter with high pass behaviour. The image below shows the mathematical implementation. This implementation also has a AHB subordinate to communicate with the manager.

CQEM Simulation Results

FIR filter top module:

CQEM Simulation Results

FIR filter controller RTL and State Transition diagram:

CQEM Simulation Results CQEM Simulation Results

FIR filter magnitude RTL:

CQEM Simulation Results

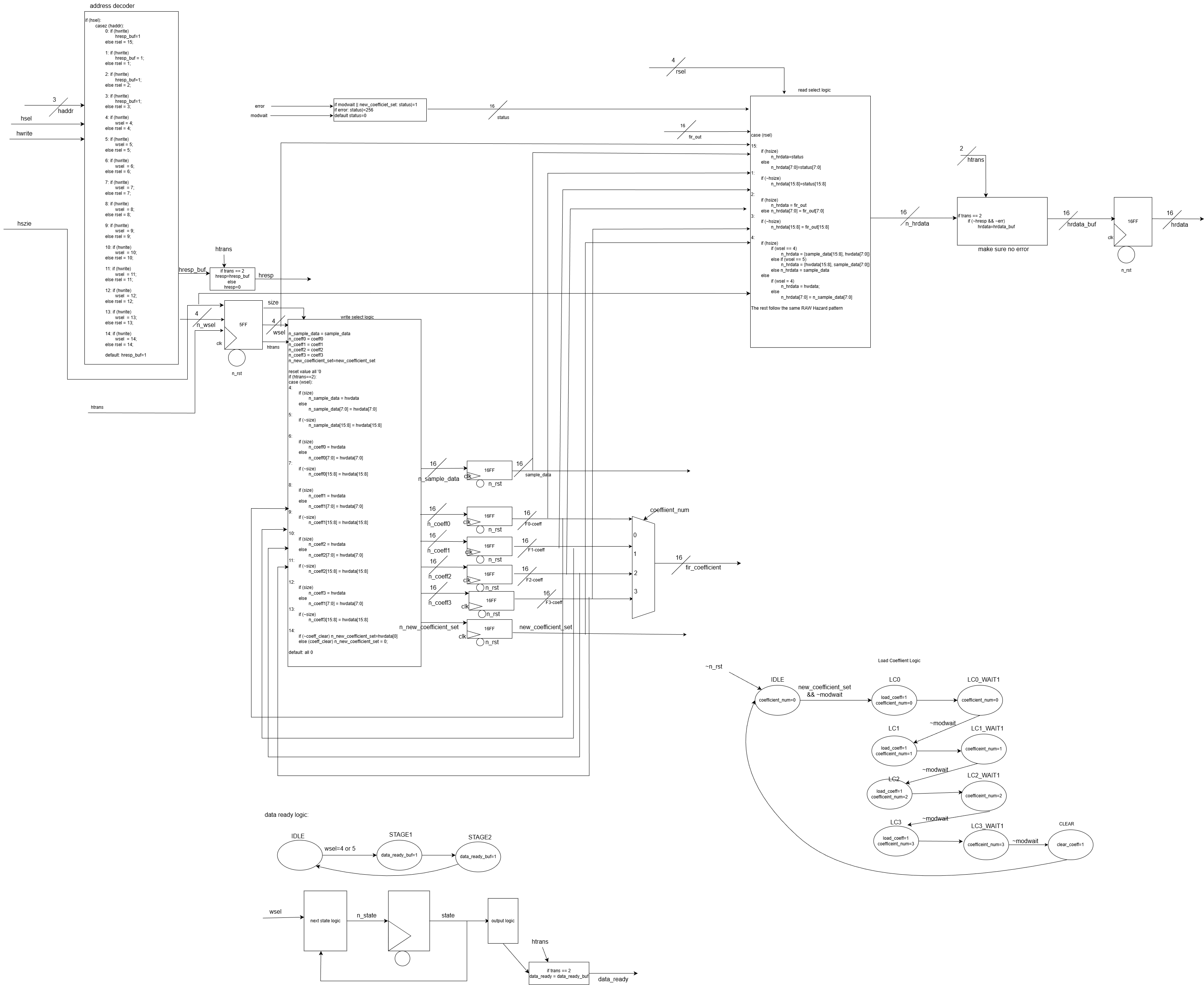
FIR filter AHB subordinate top module:

CQEM Simulation Results

FIR filter AHB subordinate RTL and coefficient loader Transition Diagram:

CQEM Simulation Results

The design is synthesized, and pass the testcases in the course.

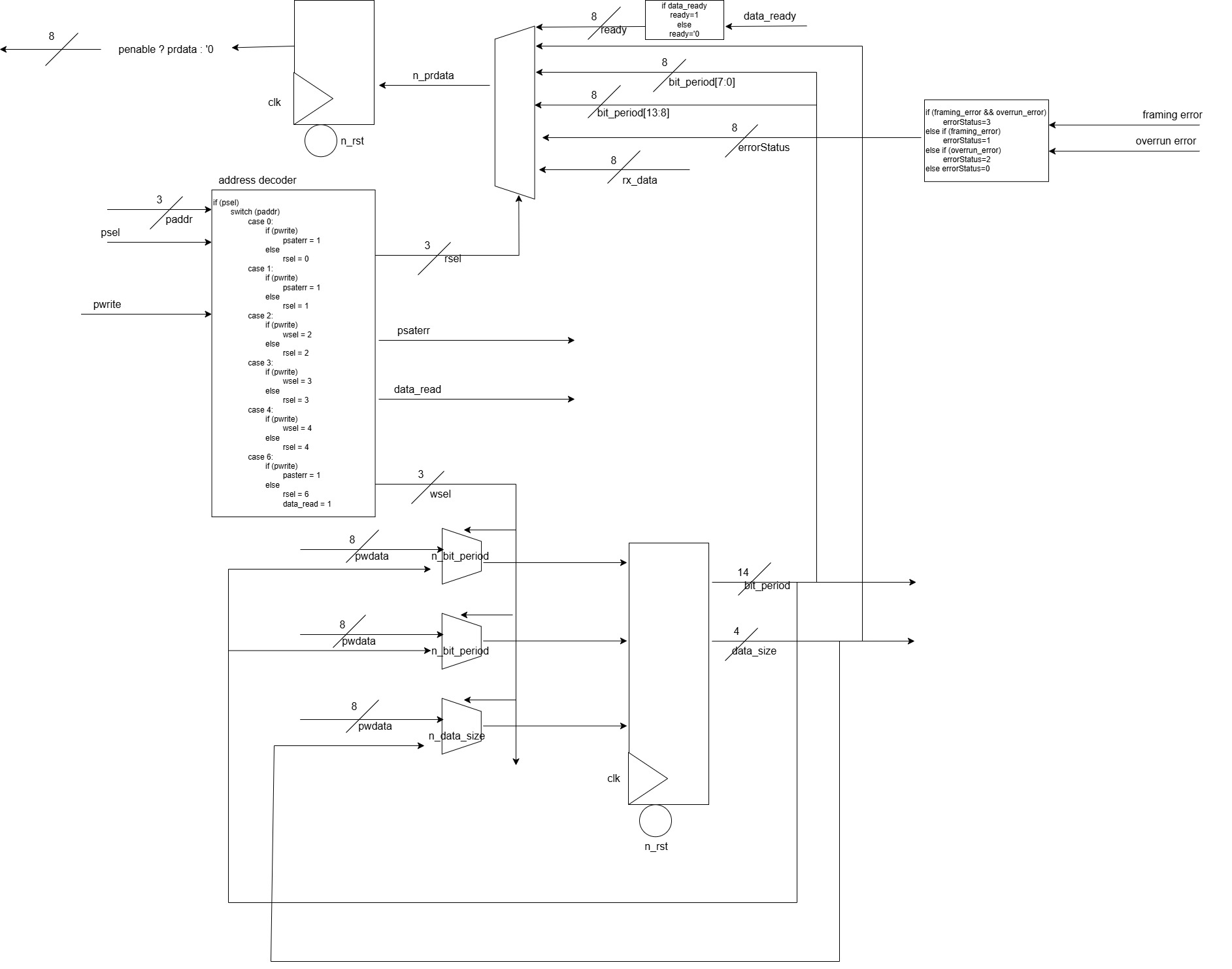
UART Receiver + APB subordinate

APB is also a Bus Protocal. The difference between this and the AHB is that AHB pipelined the address and data phase, while APB read address first and then read the data.

UART Receiver top module:

CQEM Simulation Results

UART Receiver RCU RTL and Transition Diagram:

CQEM Simulation Results CQEM Simulation Results

UART Receiver Timer RTL:

CQEM Simulation Results

UART Receiver APB Subordinate:

CQEM Simulation Results

The design is synthesized, and pass the testcases in the course.